Skip to product information
Pilot Snow Plows for GE 44 Tonner Re-Gauged to HOn3

Pilot Snow Plows for GE 44 Tonner Re-Gauged to HOn3

$12.00

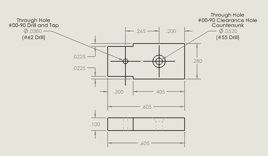
These pilot snow plows are used when re-gauging a Rapido GE 44 Tonner to HOn3. Designed to use with Kadee #705 HOn3 couplers. You will also need to fabricate a styrene adapter plate (see images) I chose not to include the adapter plate as part of the print because I feel that styrene is a more robust media for holding tapped threads for the coupler mounting screw. The pilot plows conceal that the narrow gauge couplers need to be extended outboard to clear the trucks at the correct mounting height.

These parts were designed and used in a conversion article that will be published in the 2025 HOn3 annual. Sold in pairs.

You may also like